3er Set LED Einbauspot quadratisch warmweiß
- Artikel-Nr.: 8021-SET-3-cab
LED-Einbau-Downlights als 3er Set komplett mit allen Anschlusskabeln und Netzteil. Mit diesem Set sparen Sie im Vergleich zu herkömmlichen Halogensets (3x20W) 85% an Energie und können so bis zu 29,- Euro an Stromkosten sparen (bei 8 Stunden Brenndauer 250 Tage/Jahr).
Die einzelnen LED-Spots für den Deckeneinbau dieses 3er-Deckenbeleuchtungs-Sets besitzen eine quadratische Frontplatte aus gebürstetem Aluminium und stellen so neben der eigentlichen Funktion als Deckenlampe auch tagsüber ein ansprechendes Designelement dar.
Mit einem Abstrahlwinkel von 45° können Sie auch aus 2,50 bis 3m Deckenhöhe noch eine gute Helligkeit auf Ihrer Arbeitsplatte erzeugen und eine stimmungsvolle Beleuchtung vor allem im Wohnbereich bewirken. Wir empfehlen dafür mindestens einen Spot pro Quadratmeter.
Aufgrund der schwenkbaren Aufhängung des LED-Spots im Gehäuse können Sie ganz unabhängig vom Montageort Akzente auf bestimmte Bereiche setzen.
Deckeneinbau- LED Spots dimmbar im 3er-Set:
Durch das Komplettset und das simple Montagesystem wird Ihr Arbeitseinsatz minimiert und Sie können Ihre neue Deckenbeleuchtung problemlos und schnell in Betrieb nehmen. Übrigens passt das mitgelieferte Netzteil auch bei sehr flachen Decken durch das kleine Loch des Spots.
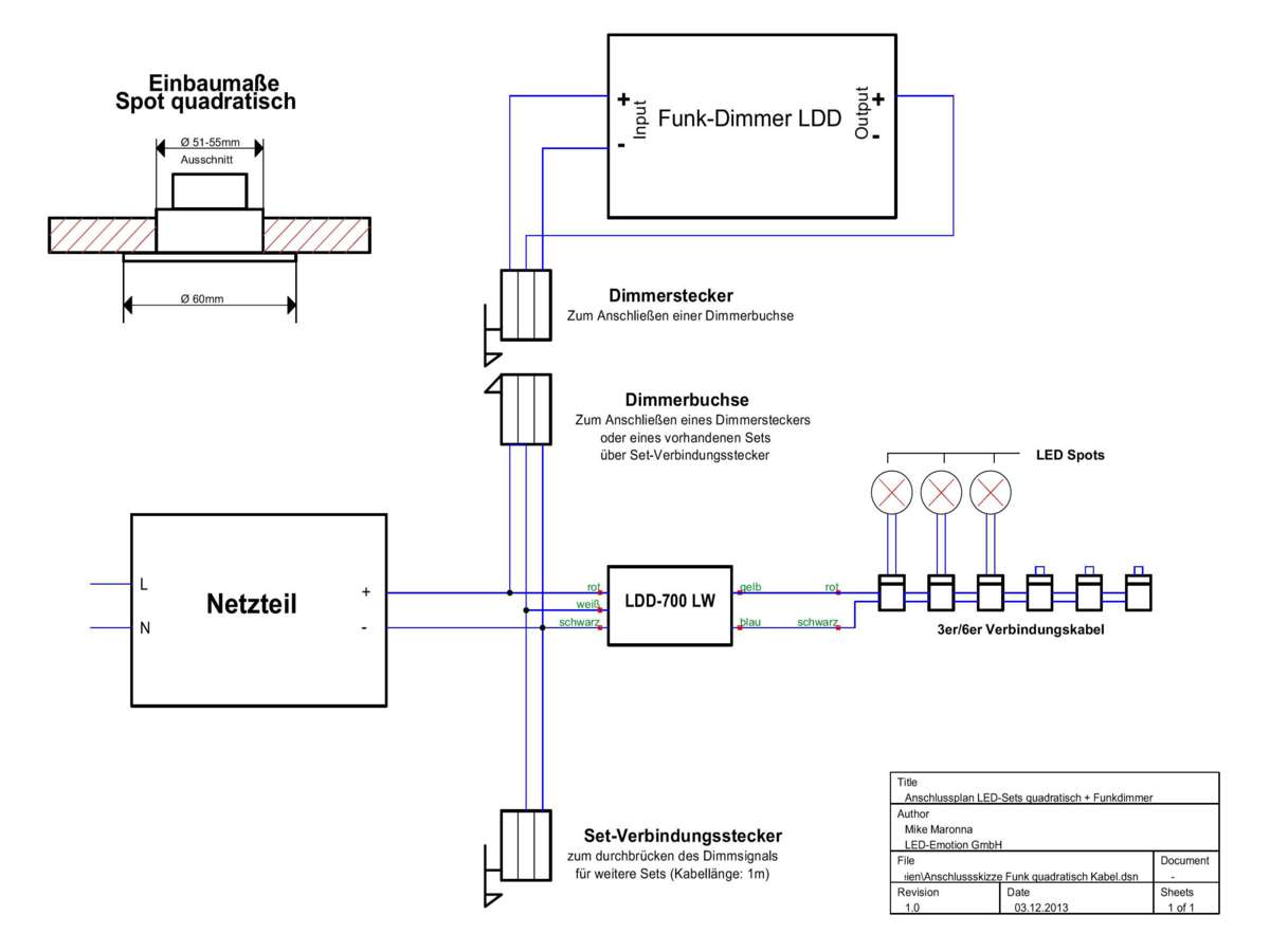
Die LED-Spots sind 0-100% dimmbar. Das ausgeklügelte System ist so konzipiert, dass sich eine Dimmersteuerung optional andocken lässt. Die Sets lassen sich untereinander verbinden, so dass mehrere der LED Spots über nur einen Dimmer gesteuert werden können. Eine aufwändige Umverkabelung oder gar der Tausch der Spots ist nun nicht mehr nötig, wenn man sich nachträglich entscheiden sollte, die LED Einbauspots dimmen zu wollen.
Der LED-Spot sowie das 3er Treiberset ist auch einzeln erhältlich, so dass sich problemlos 1er oder 2er Sets zusammenstellen lassen. Bitte beachten Sie, dass an dem mitgelieferten Netzteil des Treibersets nur maximal 3 Spots angeklemmt werden können. Für größere Installationen mit 8cm oder mehr Platz in der Zwischendecke erstellen wir Ihnen gern individuelle Angebote mit größeren Netzteilen.
Unter "Datenblatt" können Sie sich die Anschlussskizze downloaden.
Leuchtfarbe: warmweiß
Anzahl LEDs: 1 x Cree XT-E pro Spot
max. Strom: 700mA
Abstrahlwinkel: 45°
Länge: 60mm
Breite: 60mm
Höhe: 34mm
Einbauausschnitt: 51-55mm
schwenkbar
Lieferumfang:
3 x LED-Spots (Art.-Nr.: 5521-XTE-829-45)
1 x Treiberset für 3 Spots (Art.-Nr.: 80xx-SET-3-) bestehend aus:
1 x Anschlusskabel oder Anschlussbox - siehe Verbindungstyp
2 x Kabelbrücke (falls nur 1 oder 2 Spots angeklemmt werden)
1 x Konstantstromquelle 700mA 5-36V dimmbar über separaten Eingang
1 x LED-Netzteil 15W 24V vollständig verkabelt für andockbares Dimmersteuerung Abmaße(LxBxH): 123mm x 45mm x 20mm
| Leuchtfarbe | warmweiß 2900-3000K |
| Abstrahlwinkel | 45° |
| Farbwiedergabe | >80 |
| Anzahl LEDs | 1 x 2,3W |
| LED-Typ | CREE XT-E |
| Verbrauch | 8 kWh/1000h |
